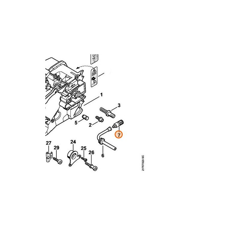
Pescante per il lubrificante della catena per Motosega Stihl.
Vedi immagine - 7
Dove utilizzato:
017, 018, 019T, 020, 020T, 021, 023, 025, MS150, MS151, MS162, MS170, MS171, MS172, MS180, MS181, MS182, MS190T, MS191T, MS192C, MS192T, MS193, MS194, MS200, MS200T, MS201, MS201T, MS210, MS211, MS212, MS230, MS231, MS241, MS250, MS251, MS270, MS280, MSA 80, MSA120, MSA140, MSA160, MSA161, MSA200C, HT100, HT101, HT 102, HT103, HT130, HT131, HT132, HT133, HT56, HT70, HT 75, HTA65, HTA66, HTA85, HTA86, HTE60
Prodotti in pronta consegna con spedizione in 24 ore
017, 018, 019T, 020, 020T, 021, 023, 025, MS150, MS151, MS162, MS170, MS171, MS172, MS180, MS181, MS182, MS190T, MS191T, MS192C, MS192T, MS193, MS194, MS200, MS200T, MS201, MS201T, MS210, MS211, MS212, MS230, MS231, MS241, MS250, MS251, MS270, MS280, MSA 80, MSA120, MSA140, MSA160, MSA161, MSA200C, HT100, HT101, HT 102, HT103, HT130, HT131, HT132, HT133, HT56, HT70, HT 75, HTA65, HTA66, HTA85, HTA86, HTE60
Produttore: Stihl

Andreas STIHL S.p.A. - Viale delle Industrie, 15 20040 Cambiago (MI) Email: info@stihl.it PEC: amministrazione@stihl-pec.it Numero di partita IVA: 09883420151. Telefono: 0230315098
Vite a collare D8 utilizzata sulle seguenti attrezzature Stihl:
Dove utilizzata:
020, 020 T, 021, 023, 025, MS 150 C, MS 150 TC, MS 151 C, MS 151 TC, MS 192 C, MS 192 T, MS 193 C, MS 193 T, MS 194 C, MS 194 T, MS 200, MS 200 T, MS 201 C, MS 201 T, MS 210, MS 230, MS 241, MS 250, MSA 160 T, MSA 161 T, HT 56, HT 70, HT 73, HT 75, HT 100, HT 101, HT 105, HT 130, HT 131, HT 132, HT 133, HT 134, HT 135, HT 250, HTA 65, HTA 85, HTA 135, HTE 60, HT-KM
Vite a collare utilizzata su diverse attrezzature Stihl - Art. 1123-664-2400
Cursore tendicatena per motoseghe Stihl - Ricambio Originale per:
Dove utilizzato:
N.B. vedi descrizione per tutte le macchine compatibili.
MS 192 T
MS 170 C-E D
MS 461-R
MSE 220 C
MC 200
HT
MSE 220
PRODUCT SET
MS 271
MSE 141 C-Q
MS 390
MS 391
010 AV
MS 362 C-Q
HTE 60
MS 310
MS 311
012 AVTEQ
036 BR
MS 440
MS 362 C-MQ
MS 441
MS 230 C-B
MS 461-VW
MS 162
MS 280
FS 500
MS 192 TC-E
009
MS 192 C-E
HT-KM Sramatore lungo
MS 200
MS 290
MS 441 C-M W
034 AVEQW
041 AVEQ
048 AVE
MS 210
009 EQ
MS 172
HT 101
MS 291
MS 170
017
034 AVSEQ
MS 171
MS 211
MS 212
041 AVQ
034 AVEQ
034 FB
MS 180
011 AVE
009 LQ
012 AVEQ
021
HT 75
HT 70
MS 341
023
024
MS 230 C-BE
MS 460
025
MS 461
026
MS 441 C-M
MS 181
028 WB
029
041 AVFBQ
MS 182
MS 170 2-MIX
MS 180 2-MIX
031
MS 231
009 Q
MS 230
Testa falciante PolyCut 6-2
039
028 W
028 Q
MS 441 C-MQ
066 M
034 AVSEQW
009 E
032 AVQ
FS 550
MS 362-VW
MS 250 C-BE
042
HT 131
HT 130
MS 240
HT 56 C-E
MS 362
048
HT 132
011 AVEQ
038 MRII
MS 200 T
MS 170-D